網站導航
網站首頁
關于我們
產品展示
新聞動態
常見問答
公司榮譽
網站首頁
關于我們
產品展示
新聞動態
常見問答
公司榮譽
成功案例
聯系我們
您當前的位置:
首頁
>
公司榮譽
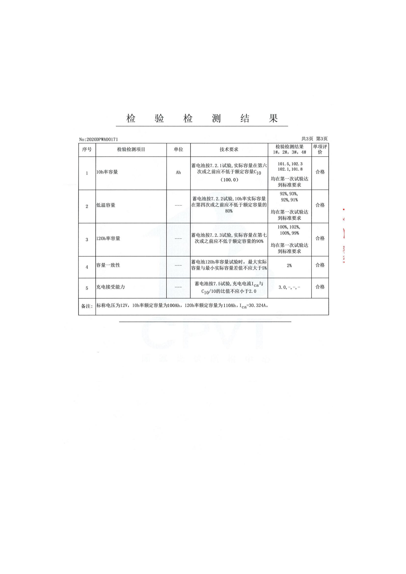
光合硅能蓄電池檢測檢驗報告
如果您正在尋找相關產品或有其他任何問題,可隨時撥打我公司服務電話,或點擊下方按鈕與我們在線交流!
全國統一服務熱線:
0731-86663578
專家咨詢
獲取報價
上一個:
蓄電池貨物運輸條件鑒定書
下一個:
CE認證產品合格證書
更多行業動態文章:
?鈣鈦礦太陽能電池結構深入剖析與理解
?太陽能全自動控制器再塑能源使用新格局
太陽能蓄電池太陽能系統中的核心角色
太陽能膠體蓄電池
?太陽能蓄電池組專業視角下的全面解讀
?光伏電站蓄電池靈動的能量守護者
如果您需要幫助,可以立即撥打我們的服務熱線!
立即撥打電話享優惠
銷售熱線:0731-86663578
或點擊咨詢報價
產品中心
太陽能蓄電池
光伏儲能電池
Totop
欧美 亚洲 另类 丝袜 自拍 动漫